
Sipping on sports drinks all day may provide an energy boost, but this popular practice is also exposing people to levels of acid that can cause tooth erosion and hypersensitivity, researchers from New York University (NYU) reported Friday at the International Association for Dental Research (IADR) in Miami.
Led by Mark Wolff, D.D.S., Ph.D., a professor and chairman of the department of cariology and comprehensive care at NYU College of Dentistry, the research team found that prolonged consumption of sports drinks may be linked to a condition known as erosive tooth wear, in which acids eat away the tooth's smooth, hard enamel coating and trickle into the bonelike material underneath, causing the tooth to soften and weaken, according to a university press release. The condition affects one in 15 Americans and can result in severe tooth damage and even tooth loss if left untreated.
"This is the first time that the citric acid in sports drinks has been linked to erosive tooth wear," Dr. Wolff said in the release.
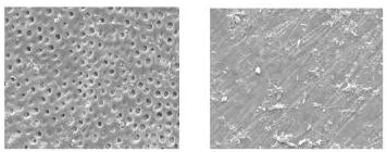
![]() |
| Left: A tooth that was immersed in a sports drink shows signs of erosion caused by acid. A tooth that was immersed only in water (at right) shows no signs of erosion. Images courtesy of Dr. Mark Wolff, professor and chairman of the department of cariology and comprehensive care at New York University College of Dentistry. |
The researchers cut in half cow teeth, which were used because of their close resemblance to human teeth, they noted. They immersed one half of the specimens in a sports drink and the other half in water. When they compared the two halves, they discovered that the one exposed to the sports drink displayed a significant amount of erosion and softening.
"Five teeth were immersed in each drink for 75 to 90 minutes to simulate the effects of sipping on sports drinks over the course of the day," Dr. Wolff said, adding that they evaluated a range of top-selling sports drinks.
According to Dr. Wolff, brushing teeth immediately after consuming a sports drink can compound the problem of tooth erosion, because softened enamel is very susceptible to the abrasive properties of toothpaste. People who frequently consume sports drinks should use an acid-neutralizing remineralizing toothpaste to help reharden soft enamel, he added.
Copyright © 2009 DrBicuspid.com
















